عداد مياه فرعي متعدد النفاثات من النوع الرطب ذو عجلة دوارة
(فئة C / R160)
مقدمة المنتج:
LXS-15E ~ 65E (الماء البارد) و LXSR-15E ~ 65E (الماء الساخن) عبارة عن عدادات فرعية للمياه متعددة النفاثات. يتم غمر السجل في الماء ، ويتعرض الزجاج لضغط الماء ، ويتم النقل بين المستشعر والمسجل بواسطة التروس. بعد فترة من الاستخدام ، ستؤثر جودة المياه على صفاء قراءة عدادات المياه الفرعية. في التصميم الداخلي ، يجب استخدام عدادات المياه الدوارة متعددة النفاثات أولاً.
مبدأ العمل:
مبدأ العمل لمقياس تدفق المياه متعدد النفاثات الدوار: يدخل الماء إلى العلبة من مدخل عداد المياه الفرعي ، ويمر عبر مرشح المياه ، ويدخل غلاف المكره من مدخل الماء ، ويؤثر على المكره ، ويبدأ المكره في الدوران ، والماء يتدفق من الجزء العلوي من المكره. يتدفق مخرج الماء إلى الأنبوب عبر مخرج الماء لجسم العداد ، والجزء السفلي من المكره مدعوم بكشتبان. بعد تدوير المكره ، يتم أيضًا تدوير الترس المركزي العلوي من خلال العمود المركزي للمكره ، مما يؤدي إلى دفع ترس ناقل الحركة في صندوق المكره للدوران وفقًا لنسبة السرعة ، وقيادة المؤشر على القرص. بعد أن يبدأ المؤشر الثلاثي بالدوران ، فإنه يقود التروس الأخرى والمؤشر العلوي في وضع نقل عشري ، ويبدأ في الدوران في اتجاه عقارب الساعة من 0 وفقًا لقيمة المؤشر على القرص لبدء القياس.
سمات:
1. طائرة متعددة.
2. النقل الميكانيكي
3.عداد رطب ، تدفق بدء صغير ، الحفاظ على آلية العد كاملة ، أداء جيد مضاد للقاذورات ، سهل القراءة.
4. أنواع العداد من النوع C مع المؤشر ، والنوع E مع مجموعة من عجلة الكلمات والمؤشر.
5. التثبيت الأفقي
6. دقة تقنية عالية وتدفق بدء صغير.
7. دقة القياس تصل إلى معايير ISO4064 Class B أو الفئة C (R80 / 100/125/160)
8 تدفق بدء تشغيل عداد المياه عالي الحساسية 2 لتر / ساعة.
9. يمكن أن تحافظ على آلية العداد ممتلئة (مملوءة بالماء) ، لديها أداء جيد ضد القاذورات ، قراءة مريحة ، مظهر جميل ، سلامة وصحة ، وعمر خدمة طويل.
10. يمكن إنتاج نفس الطراز من عدادات المياه عالية الحساسية وفقًا لاحتياجات المستخدم.
11. يمكن رش العلبة النحاسية أو اللون الطبيعي. بالإضافة إلى ذلك ، هناك علبة بلاستيكية وحالة حديدية وحالة من الفولاذ المقاوم للصدأ للاختيار من بينها
12. فئة درجة الحرارة: بارد T50 / T90 ساخن
13. تصنيف الضغط: MAP10 / MAP16
14. درجة فقدان الضغط: △ P63
15. يمكن أن يكون العداد 8digitsand 1pointer أو 5digitsand 4pointers.
16. يمكن إضافة وظيفة خرج النبض عن بعد وفقًا لمتطلبات المستخدم
تخصيص:




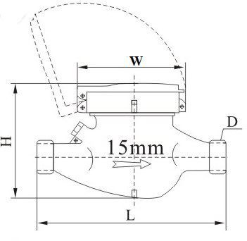
أبعاد:










الوسم : عدادات المياه الفرعية ، الصين ، المصنعين ، الموردين ، المصنع











